K Box Pinouts (INF 2201)

The CAN Connectors (2x DB9 CAN Connectors)
The CAN Connectors are 1x Male and 1x Female 9-pin Standard D Type Connectors with nuts.


Pin No
Pin Function
Pin 1
Digital Output 4 or +4.5V Instrumentation Supply Voltage, ensure that current draw is not more than 100mA
Pin 2
CAN Bus Low Signal
Pin 3
Ground
Pin 4
Digital Input or Output 1 - Do not apply voltages outside of the 0 to +12V range when used as an input. When used as an Output, ensure that the current drawn is not more than 100mA. More information on the use of this pin can be found in Appendix 2 and 3
Pin 5
Power Ground
Pin 6
Digital Input or Output 3
Pin 7
CAN Bus High Signal
Pin 8
Digital Input or Output 2 - Do not apply voltages outside of the 0 to +12V range when used as an input. When used as an Output, ensure that the current drawn is not more than 100mA. More information on the use of this pin can be found in Appendix 2 and 3
Pin 9
4.5-36V Supply Voltage
The ADC Connector
The ADC Connector is a Male 25-pin Standard D-Type Connector with nuts.

Pin No
Pin Function
Pin 1
+24V Output - ensure that the current drawn is not more than 75mA
Pin 2
+5V Output - ensure that the current drawn is not more than 75mA
Pin 5
Analog Ground
Pin 6
Analog Input 0 + ve (do not apply voltages outside the voltage range the K-Box is configured for).
Pin 7
Analog Input 1 + ve (do not apply voltages outside the voltage range the K-Box is configured for).
Pin 8
Analog Input 2 + ve (do not apply voltages outside the voltage range the K-Box is configured for).
Pin 9
Analog Input 3 + ve (do not apply voltages outside the voltage range the K-Box is configured for).
Pin 10
Analog Input 4 + ve (do not apply voltages outside the voltage range the K-Box is configured for).
Pin 11
Analog Input 5 + ve (do not apply voltages outside the voltage range the K-Box is configured for).
Pin 12
Analog Input 6 + ve (do not apply voltages outside the voltage range the K-Box is configured for).
Pin 13
Analog Input 7 + ve (do not apply voltages outside the voltage range the K-Box is configured for).
Pin 14
Ground Out
Pin 15
Ground Out
Pin 17
Analog Ground
Pin 18
Analog Input 0 - ve (do not apply voltages outside the voltage range the K-Box is configured for).
Pin 19
Analog Input 1 - ve (do not apply voltages outside the voltage range the K-Box is configured for).
Pin 20
Analog Input 2 - ve (do not apply voltages outside the voltage range the K-Box is configured for).
Pin 21
Analog Input 3 - ve (do not apply voltages outside the voltage range the K-Box is configured for).
Pin 22
Analog Input 4 - ve (do not apply voltages outside the voltage range the K-Box is configured for).
Pin 23
Analog Input 5 - ve (do not apply voltages outside the voltage range the K-Box is configured for).
Pin 24
Analog Input 6 - ve (do not apply voltages outside the voltage range the K-Box is configured for).
Pin 25
Analog Input 7 - ve (do not apply voltages outside the voltage range the K-Box is configured for).
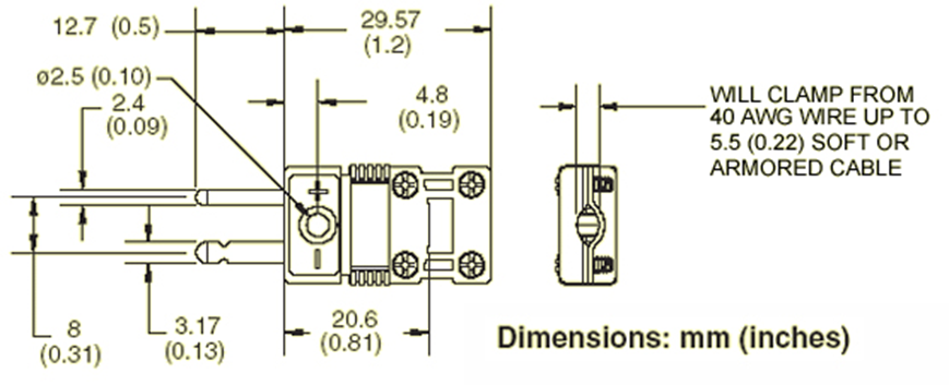
The Thermocouple Connectors
The Thermocouple Connectors on the K-Box are miniature-size flat-type sockets.

IEC Connector
Pin Function
Top
+ Signal from the Thermocouple
Bottom
K Signal from the Thermocouple
The dimensions of the Male Flat Type Miniature Size Thermocouple Plug that you would plug into it are as follows:

Last updated

